

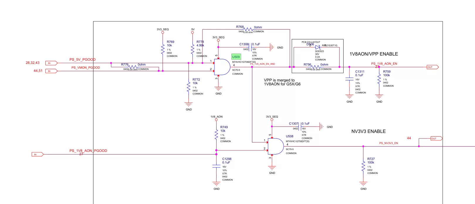
Mất Enb của 1v8 do U509 quản lý , trong đó có 2 tín hiệu cần là 5v PGOOD và VMON , kèm nguồn 3v3 SEQ nuôi U509 tại chân 5 . Nguồn 3V3 SEQ được tạo ra từ 5V qua IC , và SEQ mở trước sau đó mới tới NV3v3
Thứ tự : 5V , VMON , 3v3 SEQ => 1.8V => NV3v3

Vmon PGOOD quản lý bởi Q519 6 chân

Bình luận